got ethical husbandry?

Kinetic ELOS 120XL

Update from Francois:
1. Screws: He said he's going to just wait for the right screws from Italy with the new stand - I'll just grab some from the local hardware store for now so I can start playing with plumbing.
2. Overflow Lid: He sent me the return label finally, so I can send this one back and have him cut one to size that's not damaged. Still weird that ELOS doesn't include these and requires the distributors to make them.
3. Quiet Drain 3: still no info. He said he's waiting on Italy to send him some PDF to share with me. The drain pipe is 1.25", so it should probably be able to handle the GPH I want anyway. Just bummed it doesn't have the second return outlet like on the Quiet Drain 2.
4. The stand is still slotted for December

Overall I think he's doing his best and things are coming along. If all the stand issues are fixed (which is major), I'll be very happy with the final product.

My review so far, despite all that:
  • Actual glass tank is beautiful and built really nicely. I can only compare to my previous tanks, one being an ELOS. This one is actually better.
  • The overflow is cheap and kind of rough on the inside, including the lid. Really low quality stuff (plumbing, edges, lid etc). The glass around it is fine. There is a cheap plastic "covering" on the outside which kind of cheapens it a tad, I wish it was just smoked glass or something like how the Quiet Drain 2 looked. I honestly think they went cheapo on this to save money.
  • Absolute stand: despite the damage, poor paint, and poor fitting, I think it's designed well. It's very solid feeling despite the frame being very thin. I think it's clearly better than a regular wood stand, but it's way overpriced for what it is. If I were to do it again, I'd have it custom made, though I'd be wary that it would support the tank as designed. One last thing, the PVC panels that are held on by magnets have VERY strong magnets. There's two panels with subtle "hooks" that you can use to pull open, but the other panels you really have to punch out to remove. There's no swinging doors, so you always have to pop a panel off. These are probably rare-earth magnets that are very strong, so when you put the panel back on, it slams on hard. I've tried easing it on, but there's no amount of easing that won't make it slam. I wish there was a swinging door option. Since I have a lot of time, maybe I'll see if I can fashion something. I don't have kids, but if I did, I'm pretty sure they could NOT open this stand at all (at least until they are old enough to be slightly less destructive, if kids ever are less? I don't know, I'm an "adult" and I'm still pretty bad).
Next steps:
  1. Finalizing my sump with luna-reef. I really like their communication so far, and feel very confident going with them to build out the sump, matching ATO, and tray.
  2. Johnny (jester6) is waiting for his next rock shipment and then will build my aquascape! I've sent him all my plans, and I think he gets what I want. I was going to do this myself, but I think he's a bit of an artist with his craft, and I really admire and appreciate that. So I'm excited to have his hand in this part of the creation.
  3. Waiting to buy a bunch of final equipment/plumbing on Black Friday in case they have deals. The big ones being plumbing, ReefMat 1200, Apex Pro, and return pumps (going to get two just in case, fml they're expensive).
I'll watch as many youtube videos on plumbing as I can. I may need some help finding the right fittings though. There's a lot of reducing and elbow things that I don't want to frankenstein together if there's a better way.
 
Turned on the gyres today. Even at 20% they move a ton of water. Mounted vertically there is still a lot of surface agitation. Anything above 60% bouncing off the middle of the long side makes water splash over.

Having them pointed to the middle of the long side is cool, there is actually two gyres doing loops and coming back towards the middle. So plenty of water coming back. If I vary the flows there’s a lot of turbulence in the center areas (great for sps!).

Definitely don’t need additional pumps. It’s quiet with a tiny noise at 50-60%, but silent otherwise.

Surface agitation at 20%:

0098E0EC-CBD5-453B-A154-3EE6E5E78D7E.jpeg
 
Weirdly, one of the connection "covers" from controller to pump is manufactured oblong, rather than circular, so there's no way to screw it on. It's not pliable at all. I was thinking maybe I could heat it up with a hair blowdryer, but it's just not budging. It's a very hard plastic. Good thing I checked it! I'll see if BRS will do something or if I need to get Maxspect involved.

IMG_8340.jpg


IMG_8339.jpg


IMG_8338.jpg
 
I've looked at all the "lids" possible for tanks, and none of them look great. I mean, you can't really do much with mesh and a frame to make it look as clean as no lid at all.

My ELOS 120 I had awhile ago was totally open, and I think I only had 1 or 2 jumpers at most. My reefer 170 was losing fish every ten seconds over the top so I got a lid.

That all being said. I think I'll still go with a lid to keep fish from even remotely possibly dying, but I'm still on the hunt for the best one.

I've had an octo lid in the past which was fine. I think TopLids is the new hotness, though it's just about the same honestly. Any newfangled cool/beautiful thing out there?
 
I've been wondering if the middle ground is basically get a eurobrace style lid. Something that's just the 3 inches around the edges, which is where I assume most jumping is. Leave the center open.

At that point why not get a eurobrace? Well, whatever. It's removable at least.

The Clearview pisces exo is what I was thinking of getting, though I hate that the corners are jigsaw pieces. If the center was cut out it seems like it'd be cooler

However I absolutely despise how expensive these are. Lexan is super expensive at these thicknesses, but things like that Pisces exo are obviously tricks so they can make multiple out of a single lexan sheet, and the fact that they don't discount them accordingly I find supremely annoying.

I wanted to build my own, but I don't have access to a cnc and the lexan is so expensive it's not cheaper.
 
OK, I have made a few revisions to the sump. Instead of going full rimless with 3/4" walls, I'm going to go with some bracing. The bracing will help with plumbing/cable/dose/probe management. It could also be a pain in the butt if things move, but I think it should be OK. These are just my ideas, of course once things are good, Luna-Reef will send me full CAD drawings for iteration/review.

Bracing will be white
Bottom will be white
Baffles will be white
Walls will be clear

Here's the top down drawing update I did with bracing:

ELOS 120XL Bracing - Full.jpg


Just the sump full of the equipment:

Sump Full.jpg


Empty sump with bracing:

Sump Empty.jpg


All the measurements:

Sump With Measurements - Empty - Directions.jpg
 
Plumbing got really complicated on the return. In order to run the UV in parallel with my return, this is what I came up with... but not even sure if it's going to work. So many check valves and other crap. I think this is too complex and won't work. How can I make it simpler?

Return Plumbing.jpg
 
Run it in parallel with its own pump

Or ditch the UV altogether

Ditch the check valves and the flow meters
 
Last edited:
Plumbing got really complicated on the return. In order to run the UV in parallel with my return, this is what I came up with... but not even sure if it's going to work. So many check valves and other crap. I think this is too complex and won't work. How can I make it simpler?

View attachment 42950
If I may...
IMHO Too complicated
I would run a return pump and another pump for the UV
This way everything does not rely on the single pump
 
You also don't need a second return to run a UV on its own pump. You can just run the UV through a low power pump draining back into the sump. Yes there's a chance you're double filtering some amount of water, but assuming the UV flow rates are much less than your sump turnover that's presumably more a theoretical problem than an actual one.

And yes, as an outside viewer that seems insanely complicated (meant nicely, but bluntly). Do you really need all those check valves? Do you need those flow meters? Why so many unions?

A single small pump running in the sump, with flexible clear tubing, through the UV, and the UV dumping back into the sump and all that goes away and becomes two cable clamps.
 
Thanks everyone for the feedback. I agree it's too complicated, which is why I posted it. This was an accumulation of all the feedback I've gotten put into one place, and looking at it after I did that really showed that it may be way too much.

Here's the suggestions I had gotten:
  • Run it in parallel with the return on the return pump, most effective this way
  • Use unions as much as you can, makes it easier to change later, "You'll thank me later" -- hmm
  • You'll need a check valve otherwise the water might not move at all -- plumbing experts may say otherwise?
  • Use a gate valve instead of a ball valve, ball valves are for closing off water, gate valves control flow
I see this as part of the process.
1. Take all the feedback and actually plan it out to see what it looks like.
2. Get feedback from your peers since I am not an expert.
3. Iterate!

I don't know if there's much use running it in parallel with my return. It sounds nice, but the plumbing is kind of crazy. Since my pump is overpowered (and I will be getting a spare), I might still try running a manifold off of it and just have it drain back into the sump. My last setup I had a dedicated accessory pump that powered my chiller and UV. It worked out other than the pump needing way too much maintenance to keep up with the head pressure. While that's not out of the question, since I have 3x VarioS-4 pumps just sitting around that I can use (and would run them at low power since I only need like 200gph), it would be nice if it would be simple enough to just use the return pump.
 
When I set my system, I always think how easy if I need to replace a part or remove something later on. Setup do leak eventually, just had an external overflow split a seam, sadly it’s so close against the wall I can’t put a clamp in place to close the gap. Well, live and learn! LOL!
 
Thanks everyone for the feedback. I agree it's too complicated, which is why I posted it. This was an accumulation of all the feedback I've gotten put into one place, and looking at it after I did that really showed that it may be way too much.
Design by committee never works. Pick what you want it to do (create functional requirements), then design it. You know your design is complete when there is nothing left to take away.

  • You'll need a check valve otherwise the water might not move at all -- plumbing experts may say otherwise?
Check valves prevent back flow, they don't help water flow in your desired direction. That is what your pump does.

Should have seen this last night, but it was late. The way you have it designed, your inlet to your UV and your outlet are the same head pressure so nothing will flow through it. If you are dead set on making this as complicated as you have shown, you will have to have the drain into a zero pressure area like the sump to get flow through the uv.

Save yourself the headache and buy a smaller pump to run just your UV.

Consider scrapping the UV altogether. It is really a band aid for other issues from my research and practice. Many successful systems don't use one ever, mine included.
 
Last edited:
Was thinking the same thing @H2OPlayar regarding input and output connections. Also flip the bulb to the right side for easy maintenance it looks like everything is in line unless you plan on taking the whole unit out for cleaning the glass sleeve and bulb change? Just word of caution mounting downward if you turn pumps off or it goes out all the water will drain from the uv causing it to burn out unless the check valve’s actually work i don't use them so i need to turn off the uv anytime the pump goes off. Unless I link it to turn off if pump fails automatically. Most people that mount horizontal have input/output upward or facing level front to help air bubbles escape which prevents less scale on the glass sleeve. Or vertical with output on top. I do vote like others for using standalone pump to help better dial in flow slow or fast depending on what your expectations are with the UV. For what I've read input/output from the main display gets the best results but the most unsightly vs sump to sump which many people do as well. Best of luck
Paul
 
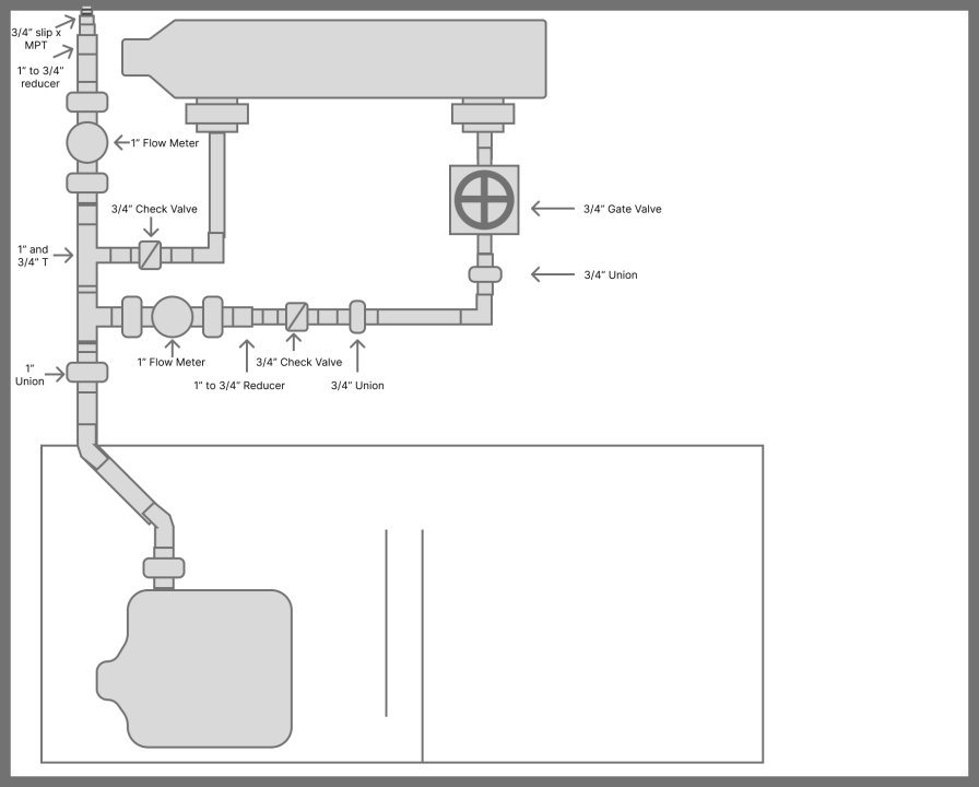
Alright, I just got rid of the UV from this plan for now (I will create a separate plumbing for it, though I may just use Murlock to connect that up with a VarioS-2).

The below is the return, drain, and emergency drain. I put a bunch of unions everywhere just in case, but let me know if I won't need those or if I need more. The plumbing will be connected to bulkheads that are drilled into the bracing of the sump.

The view is from the short end of the stand (which is why it's much more narrow).

Back View.jpg
 
Any thoughts on my fish stock wish-list?
  • Clownfish (2)
  • Bellus Genicanthus (2)
  • Chalk Bass Serranus tortugarum (5)
  • Lyretale anthias Pseudanthias squamipinnis (5)
  • Orange Stripe Prawn Goby Amblyeleotris randalli (2)
  • Tailspot Blenny Ecsenius stigmatura (1)
  • Geometric Pygmy Hawk Plectranthias inermis (2)
  • Orchid Dottyback — ORA captive bred (2)
  • Starry Blenny Salarias ramosus (1)
  • White Tail Bristletooth Tang Ctenochaetus flavicauda (1)
Might be too much fish (territory-wise), though bioload I'm guessing should be OK. Also, the above is probably the order I will be adding the fish in (I already have the clownfish).
 
Back
Top